Il grafene contro i batteri

Il grafene contro i batteri

La tecnica imita la natura. Per contrastare i rischi di infezione in sala operatoria, i medici potrebbero presto avere a disposizione strumenti rivestiti di ossido di grafene ispirati alle rugosità tipiche del granchio che, grazie alla struttura del suo carapace, non viene attaccato dai batteri. L’idea è di un gruppo di ricercatori dell’Istituto dei sistemi complessi del Consiglio nazionale delle ricerche (Isc-Cnr), dell’Istituto di fisica e microbiologia dell’Università Cattolica del Sacro Cuore (Ucsc) di Roma, del Dipartimento di fisica dell’Università Sapienza di Roma e del Dipartimento di scienze chimiche dell’Università degli Studi dell’Aquila, con un lavoro pubblicato sulla rivista Scientific Reports. La ricerca è stata finanziata dal Consiglio di ricerche europeo (Erc).

“L’European Center for Diseases Prevention and Control (Ecdc) ha dichiarato che dal 2009, in Europa, oltre 400.000 persone hanno sviluppato infezioni batteriche resistenti agli antibiotici. Abbiamo quindi l’esigenza di maturare nuove strategie per la difesa di superfici sensibili come quelle delle protesi e dell’attrezzatura chirurgica”, afferma Claudio Conti, direttore dell’Isc-Cnr, professore presso il Dipartimento di fisica della Sapienza e coautore dello studio. “Per farlo siamo partiti dalle soluzioni offerte dalla natura, imitando, per il rivestimento di questi strumenti, l’involucro esterno del granchio, che grazie alla sua rugosità respinge i batteri”.

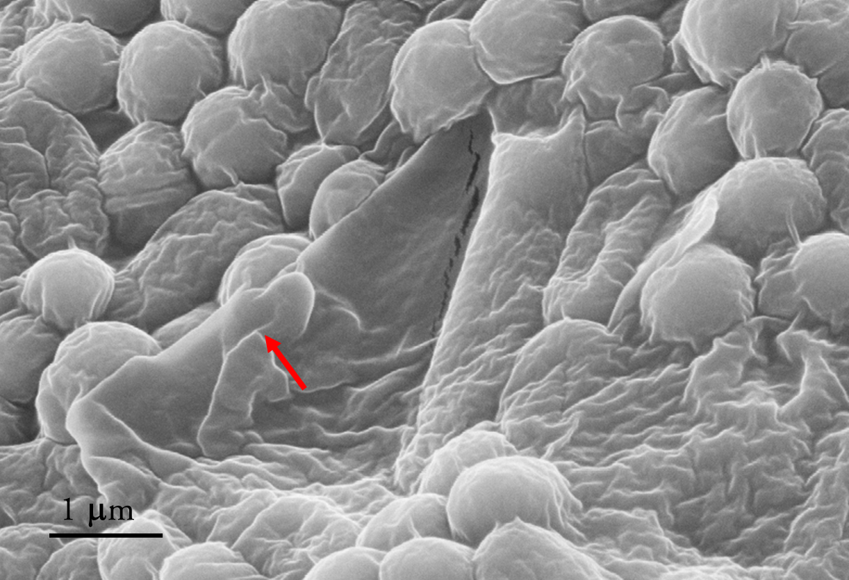
I ricercatori hanno potenziato l’efficacia di questo approccio impiegando il grafene, di cui sono già note le proprietà antimicrobiche. “Abbiamo realizzato un rivestimento con un idrogel a base di ossido di grafene”, prosegue Massimiliano Papi, professore presso l’Istituto di fisica e microbiologia dell’Università Cattolica del Sacro Cuore e coautore della ricerca. “L’azione antibatterica è dovuta alla struttura in fogli, delle dimensioni di qualche nanometro, dell’ossido di grafene, in grado di tagliare la membrana della cellula batterica o di avvolgerne la superficie, contrastando così lo sviluppo di batteri resistenti ai farmaci” (vedi figura).

Tale meccanismo di base, di natura meccanica, è amplificato da una tecnica di laser printing scoperta dal team di ricerca: la supercavitazione laser. “L’azione del laser permette di massimizzare l’esposizione dei fogli di grafene secondo un pattern progettato proprio sulla rugosità tipiche del carapace del granchio. Analisi morfologiche e del rilascio degli acidi nucleici da parte di cellule di Staphylococcus aureus,Escherichia colieCandida albicans hanno evidenziato che l’azione del rivestimento è sia batteriostatica che battericida, ossia blocca e uccide, arrivando a sopprimere il 90% dei batteri: un risultato rilevante, una svolta nel campo delle tecnologie dei materiali biomedici, perché la soluzione fornita è versatile, economica e a basso impatto tossicologico”, conclude Conti.

 

Nella foto
L'immagine mostra dei batteri tagliati dal grafene. Si possono distinguere batteri sani e batteri più danneggiati. La freccia indica una lamina di grafene che sporge ed è esposta dal trattamento laser